AC/DC非隔離產品系列
當前位置:網站首頁> 產品中心 > LED照明驅動類 > 高壓LED照明驅動芯片 > AC/DC非隔離產品系列 >SM7307非隔離BUCK恒流LED控制功率開關
來源:深圳晶立弘泰 作者:深圳晶立弘泰 發布時間:2016-07-04 22:40:06
產品技術資料下載SM7307.PDF
產品描述:SM7307 是一款內部集成功率管的高效的PWM-LED 恒流驅動控制芯片
。恒流精度可以達到全電壓范圍±3%,芯片直接從DRAIN 輸入電壓供電,
不需要輔助繞組提供電源。
SM7307 主要適用于高亮的BUCK LED 驅動器。
無需任何的補償元件,即可實現恒定的輸出電流。
外圍元件少,方案成本低,具有LED 輸出開短路保護特性
產品特點:730V 單芯片集成工藝
寬電壓85Vac~265Vac 輸入;
恒流精度±3%;
效率高達90%@220Vac 以上;
內置自恢復輸出開短路保護;
非隔離拓撲結構;
低成本BUCK 驅動方案;
無需補償元件;
外圍器件少,BOM 成本低;
封裝形式:SOP8;
應用領域:T8、T5 燈管
LED 球泡燈
LED 信號燈和裝飾燈
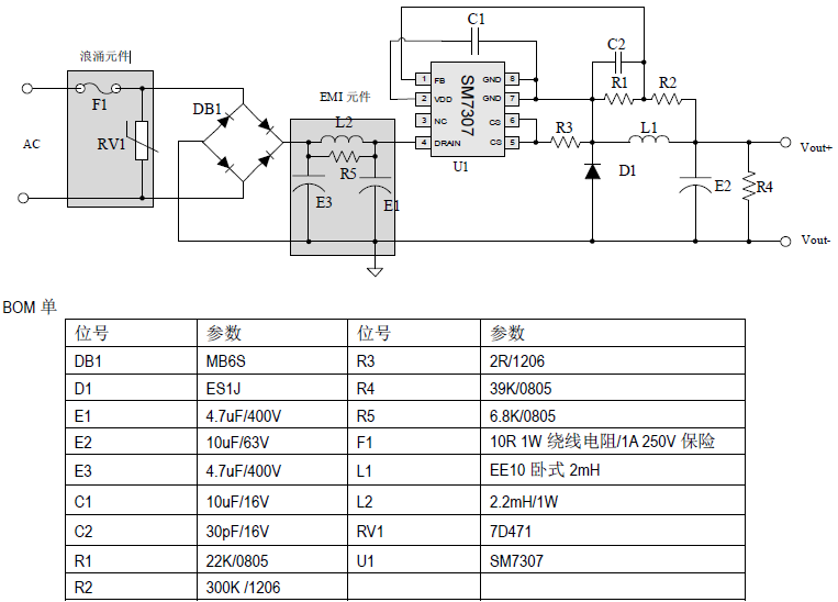
SM7307典型應用規格:
SM7307(3-7W)150mA LED照明驅動方案:

