AC/DC非隔離產品系列
當前位置:網站首頁> 產品中心 > LED照明驅動類 > 高壓LED照明驅動芯片 > AC/DC非隔離產品系列 >SM7350高功率因數LED恒流驅動芯片
來源:深圳晶立弘泰 作者:深圳晶立弘泰 發布時間:2016-07-04 23:42:36
產品描述:SM7350是一款高精度、高效率、高功率因數的降壓型LED恒流驅動控制開關。
芯片工作在臨界導通模式,在全電壓85Vac~265Vac 入電壓范圍內,
恒流精度可達到±5%,PF 值大于0.9。
SM7350主要適用于高亮的BUCK LED 驅動器,可實現恒定的輸電
流。外圍器件少,方案成本低,具有輸出開、短路保護、過溫保特
性。可通過EFT、雷擊浪涌等可靠性測試。
產品特點:寬輸入電壓范圍85Vac~265Vac
恒流精度±5%
功率因數PF>0.9
效率可達到90%以上
支持無輸入電解電容方案
支持非隔離的低成本BUCK 驅動方案
電感電流臨界導護通模式
內置自恢復的輸出開、短路保護、過溫保護功能
外置功率MOS 管
封裝形式:SOT23-6
應用領域:T5、T8 日光燈
吸頂燈、球泡燈、平板燈等
DC/DC 或AC/DC 的LED 驅動器
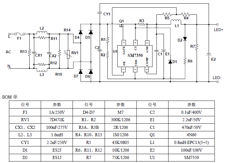
SM7350 80V/240mA 19W LED照明驅動方案(全電壓90VAC-265VAC)
產品技術資料下載SM7350.PDF

