AC/DC非隔離產品系列
當前位置:網站首頁> 產品中心 > LED照明驅動類 > 高壓LED照明驅動芯片 > AC/DC非隔離產品系列 >SM7352PC高功率因數LED恒流驅動控制開關
來源:深圳晶立弘泰 作者:深圳晶立弘泰 發布時間:2016-07-04 23:59:00
產品描述:SM7352PC是一款高精度、高效率、高功率因數的
降壓型LED恒流驅動控制開關。工作在臨界導通模式,
在85Vac~265Vac輸入電壓范圍內,恒流精度小于±5%,PF值大于0.9。
SM7352PC主要適用于高亮的BUCK LED驅動器,可實現恒定的輸出電流。
外圍器件少,方案成本低,具有輸出開、短路保護、
過溫保護特性,可通過EFT、雷擊浪涌等可靠性測試。
產品特點:寬輸入電壓范圍85Vac~265Vac
恒流精度小于± 5%
功率因數PF 大于0.9
效率大于90%
支持無輸入電解電容方案
支持低成本的非隔離BUCK 驅動方案
電感電流臨界導通模式
內置自恢復的輸出開、短路保護功能、過溫保護功能
內置功率MOS 管
封裝形式:SOP8-7
應用領域:T5、T8 日光燈
吸頂燈、球泡燈、平板燈等
DC/DC 或AC/DC 的LED 驅動器
SM7352PC輸出功率表:
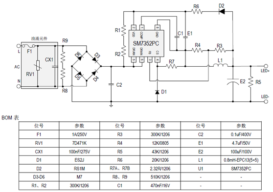
SM7352PC 80V/220mA LED驅動照明方案(單電壓180VAC-264VAC):
產品技術資料下載SM7352.PDF

