AC/DC非隔離產品系列
當前位置:網站首頁> 產品中心 > LED照明驅動類 > 高壓LED照明驅動芯片 > AC/DC非隔離產品系列 >SM7380P非隔離調光降壓型LED恒流驅動芯片
來源:深圳晶立弘泰 作者:深圳晶立弘泰 發布時間:2016-07-05 23:51:59
產品描述:SM7380P 是一款高精度降壓型LED 恒流驅動芯片,適用于
85Vac~265Vac 全范圍輸入電壓的非隔離降壓型LED 恒流驅動電源。
SM7380P 芯片采用專利的驅動和輸出檢測方式,芯片工作電流很
低,無需輔助繞組檢測和供電,只需要很少的外圍器件,即可實現優異
的恒流輸出和線性調整率,極大地節約了系統體積和成本。
SM7380P 芯片工作于電感電流臨界連續模式,輸出電流不隨電感量
和LED 工作電壓的變化而變化,實現優異的負載調整率。
SM7380P 具有多重保護功能,包括LED 開/短路保護,HVDD 欠壓保
護,過溫保護等。
產品特點:85Vac~265Vac 全范圍電壓輸入
電感電流臨界連續模式
無需輔助繞組檢測和供電
外置功率管
超低工作電流
LED 輸出電流精度小于±3%
可調節的LED 輸出開路保護
LED 輸出短路保護
HVDD 欠壓保護
過溫保護
PWM 調光功能
封裝形式:SOP8
應用領域:LED 球泡燈
T5、T8 日光燈
筒燈、吸頂燈、平板燈等
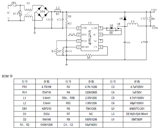
SM7308P典型規格:
SM7380P 180Vac~264Vac 80V/450mA LED照明驅動認證方案:
產品技術資料下載SM7380.PDF

