AC/DC非隔離產品系列
當前位置:網站首頁> 產品中心 > LED照明驅動類 > 高壓LED照明驅動芯片 > AC/DC非隔離產品系列 >SM7381P非隔離降壓LED恒流驅動照明芯片
來源:深圳晶立弘泰 作者:深圳晶立弘泰 發布時間:2016-07-06 00:08:16
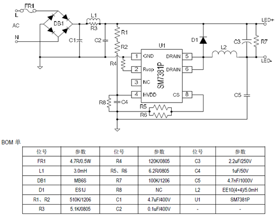
產品描述:SM7381P是一款高精度降壓型LED恒流驅動芯片, 適用于
85Vac~265Vac 全范圍輸入電壓的非隔離降壓型LED 恒流驅動電源。
SM7381P 芯片內部集成500V功率管,采用專利的驅動和輸出檢測
方式,芯片工作電流很低,無需輔助繞組檢測和供電,只需要很少的外
圍器件,即可實現優異的恒流輸出和線性調整率,極大地節約了系統體
積和成本。
SM7381P芯片工作于電感電流臨界連續模式,輸出電流不隨電感量
和LED 工作電壓的變化而變化,實現優異的負載調整率。
SM7381P 具有多重保護功能,包括LED 開/短路保護,HVDD 欠壓保
護,過溫保護等。
產品特點:85Vac~265Vac 全范圍電壓輸入
電感電流臨界連續模式
無需輔助繞組檢測和供電
內部集成500V 功率管
超低工作電流
LED 輸出電流精度小于±3%
可調節的LED 輸出開路保護
LED 輸出短路保護
HVDD 欠壓保護
過溫保護
封裝形式:SOP-7
應用領域:LED球泡燈
T5、T8 日光燈
筒燈、吸頂燈、平板燈等
SM7381P典型輸出規格:

SM7381P 180Vac~264Vac 90V/90mA LED照明驅動認證方案:

產品技術資料下載SM7381P.PDF

