AC/DC隔離產品系列
當前位置:網站首頁> 產品中心 > LED照明驅動類 > 高壓LED照明驅動芯片 > AC/DC隔離產品系列 >SM7520高效LED恒流驅動芯片
來源:深圳晶立弘泰 作者:深圳晶立弘泰 發布時間:2016-07-02 15:56:56
產品描述:SM7520 芯片是一款高精度、高效率的LED 恒流驅動控制芯片,
在85Vac~265Vac 輸入電壓范圍內,恒流精度小于± 5%。
SM7520 芯片既支持非隔離的BUCK 方案,同時也支持PSR 反激方案,
無需任何補償元件,即可實現恒定的電流輸出,外圍器件少,方案成本低。
芯片內置自恢復的LED 輸出開短路保護電路,提高系統可靠性、安全性。
產品特點:寬電壓85Vac~265Vac 輸入
恒流精度小于± 5%
效率大于85%
隔離的PSR 反激方案
非隔離的BUCK 方案
內置自恢復的輸出開短路等保護功能
CS 開路保護
外置功率MOS 管
封裝形式:SOT23-6
應用領域:LED 照明驅動
筒燈或吸頂燈
平板燈
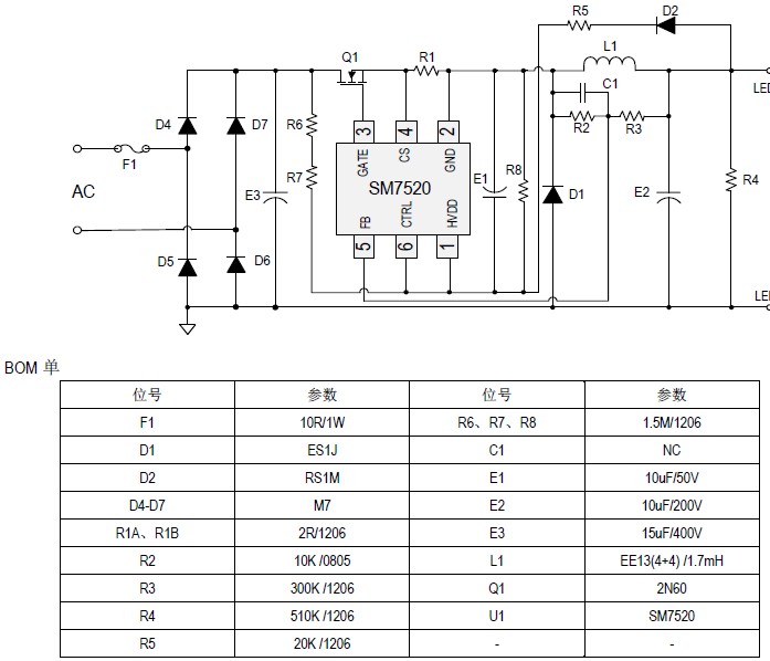
SM7520 50~100V/300mA 單電壓(180~265Vac)系統以及BOM表:
產品技術資料下載SM7520.PDF

