AC/DC隔離產品系列
當前位置:網站首頁> 產品中心 > LED照明驅動類 > 高壓LED照明驅動芯片 > AC/DC隔離產品系列 >SM7532PC高功率因數LED恒流驅動芯片
來源:深圳晶立弘泰 作者:深圳晶立弘泰 發布時間:2016-07-04 21:57:51
產品描述:SM7532PC是一款單級、帶有源高功率因數校正的
高精度高效率的原邊反饋LED 恒流驅動控制芯片。
采用我司的恒流控制技術,輸入無需電解電容。
適用于85Vac~265Vac 全范圍輸入電壓,恒流精度可達到±5%,PF 值大于0.9。
SM7532PC主要適用于高亮的LED 驅動器,
可實現高功率因素和恒定的輸出電流。
外圍器件少,方案成本低,具有輸出開、短路保護特性。
可通過EFT、雷擊浪涌等可靠性測試,亦可通過3C、UL、CE 等認證標準。
產品特點:寬輸入電壓范圍85Vac~265Vac
恒流精度±5%
功率因素PF>0.9
支持無輸入電解電容方案
恒流控制專利技術
電感電流臨界導通模式
內置自恢復的輸出開短路保護功能
內封功率MOS 管
封裝形式: SOP7
應用領域:T5、T8 日光燈
吸頂燈、平板燈等
DC/DC或AC/DCLED驅動器
LED信號燈和裝飾燈
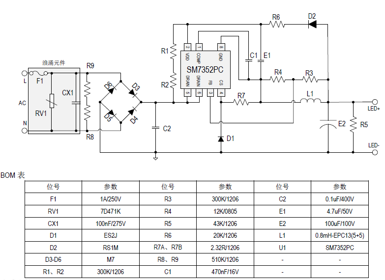
SM7532PC 80V/220mA LED驅動照明方案(單電壓180Vac~265Vac):
產品技術資料下載SM7532PC.PDF

