副邊反饋
當前位置:網站首頁> 產品中心 > 電源管理類 > AC/DC電源管理芯片 > 副邊反饋 >SM7012 AC/DC PWM電源管理芯片
來源:深圳晶立弘泰 作者:深圳晶立弘泰 發布時間:2016-07-07 22:57:09
產品描述:SM7012 是采用電流模式PWM 控制方式的功率開關芯片,
集成高壓啟動電路和高壓功率管,
為低成本開關電源系統提供高性價比的解決方案。
芯片VDD 的工作電壓范圍寬,很方便的應用于充電器領域。集成高壓啟動電路和高壓功率管,
為低成本開關電源系統提供高性價比的解決方案。
芯片提供了過溫、過流、過壓、欠壓等保護功能,保證了系統的可靠性。
應用領域:寬電壓85~265Vac 輸入
待機功耗小于120mW@220Vac
集成高壓啟動電路
集成高壓功率開關
9V~38V 寬VDD 工作電壓
電流模式PWM 控制方式
內置過溫、過流、過壓、欠壓鎖定等保護功能
SM7012 兼容VIPer12 管腳(不需要修改電路走線及變壓器)
封裝形式:DIP8、SOP8
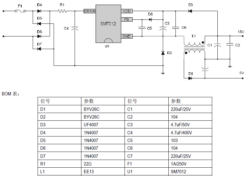
產品指數:典型電磁爐BUCK 電路應用方案
小功率充電器
小功率適配器
待機電源
DVD、DVB 以及其他便攜式設備電源
SM7012 電源管理芯片輸出功率表:

注:輸出功率10W 以上,建議根據實際方案增加散熱措施:
增加獨立散熱片;
其他散熱措施。
SM7012 BUCK 電路—電磁爐應用方案:



