SM7523B 隔離式 PSR 12V/290mA
發布時間:2016-07-13 23:34:41
概述:
SM7523B 是應用于小功率LED照明領域的控制功率開關
芯片,在全電壓輸入范圍內實現高精度恒流輸出,精度小于
±5%,無需環路補償,并可使系統節省光耦,TL431 以及變壓
器輔助繞組等元件,降低成本。
芯片內部集成了逐周期峰值電流限制,FB 過壓保護,輸出
開/短路保護和開機軟啟動等保護功能,以提高系統的可靠性。
SM7523B 應用領域:球泡燈、射燈等 LED 照明領域。
適用于 60mA、300mA 等多種規格。
典型系統規格 12V/290mA:
| 輸入電壓 | 90Vac~264Vac |
| 輸出電壓 | 3V~12V |
| 輸出電流 | 290mA |
| 恒流精度 | <±3% |
| 輸出功率 | 1W~3W |
| 效率 | ≥75% |
| 拓撲結構 | 隔離式 PSR Flyback |
系統 BOM 清單:
| NO. | 元件類型 | 型號描述 | 位號 |
| 1 | 線繞電阻 | RES-FUS-10R-0.250W | FR |
| 2 | 貼片電阻 | RES-SMD-1206-1M-5%-0.25W | R1 |
| 3 | 貼片電阻 | RES-SMD-0603-51K-5%-0.10W | R2 |
| 4 | 貼片電阻 | RES-SMD-0805-2.4R-1%-0.125W | R3 |
| 5 | 貼片電阻 | RES-SMD-0805-10K-5%-0.125W | R4 |
| 6 | 貼片電容 | CAP-SMD-0603-X7R-15p-10%-50V | C1 |
| 7 | 電解電容 | CAP-ELE-4.7u-400V-Ф8*12 | E1 |
| 8 | 貼片電容 | CAP-SMD-0805-X7R-1.0u-10%-16V | E2 |
| 9 | 貼片電容 | CAP-SMD-1206-X7R-10.0u-10%-16V | E3 |
| 10 | 貼片二極管 | DIO-FAS-SMA-1.00A-200V-US1D | D1 |
| 11 | 貼片橋堆 | BR-MBS-1.00A-600V-MB6S | DB1 |
| 12 | 變壓器 | TR-EE10 臥式/2.6mH(146T:30T) | T1 |
| 13 | 芯片 | IC- SM7523B-SOP8 | U1 |
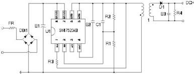
典型電路圖:

SM7523B應用原理圖
測試參數(單位:mA):
| 90Vac | 110Vac | 220Vac | 264Vac | |
| 帶 1W LED 燈 | 277.8 | 279.4 | 285.8 | 287.5 |
| 帶 2W LED 燈 | 274.6 | 276.1 | 282.4 | 284.0 |
| 帶 3W LED 燈 | 269.0 | 272.9 | 279.2 | 281.0 |
PCB 及方案板實物圖:

圖 1 PCB toplayer 圖 2 PCB bottomlayer

圖 3 系統方案板正面圖 圖 4 系統方案板背面圖

