線性恒流產品系列
當前位置:網站首頁> 產品中心 > LED照明驅動類 > 高壓LED照明驅動芯片 > 線性恒流產品系列 >SM2082D 16W單通道LED恒流驅動控制芯片
來源:深圳晶立弘泰 作者:深圳晶立弘泰 發布時間:2016-05-26 00:34:32
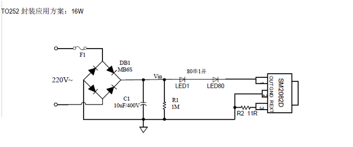
產品描述:SM2082D是單通道LED恒流驅動控制芯片,芯片使用明微專利
的恒流設定和控制技術,輸出電流由外接Rext 電阻設置為
5mA~60mA,且輸出電流不隨芯片OUT 端口電壓而變化,較好的恒流
性能。系統結構簡單,外圍元件極少,方案成本低。
產品特點:明微專利的恒流控制技術
OUT 端口輸出電流外置可調,范圍5mA~60mA
芯片間輸出電流偏差 < ± 4%
具有過熱保護功能
芯片可與LED 共用PCB板
芯片應用系統無EMI 問題
線路簡單、成本低廉
封裝形式: TO252-2、SOT223、SOT89-3
應用領域:T5/T8 系列LED 日光燈管
LED 路燈照明應用
LED 球泡燈,LED 吸頂燈

產品技術資料下載SM2082D.PDF

