線性恒流產品系列
當前位置:網站首頁> 產品中心 > LED照明驅動類 > 高壓LED照明驅動芯片 > 線性恒流產品系列 >SM2087高功率因數線性恒流LED驅動芯片
來源:深圳晶立弘泰 作者:深圳晶立弘泰 發布時間:2016-06-29 20:53:55
產品描述:SM2087 是高功率因數線性恒流LED驅動芯片,應用于LED 照明
領域。該芯片通過獨特的恒流控制專利技術,實現恒流精度小于
±5%,輸出電流可由外接REXT 電阻調節。芯片具有高功率因數和低諧波失真。
無需變壓器和高壓電解電容,系統結構簡單,
可實現LED 照明方案批量化作業,具有各種保護功能。
產品特點:無需變壓器和高壓電解電容
集成高壓啟動供電
輸出電流可調,最大達60mA
片間電流偏差 < ±5%
效率:>90%
功率因數:>0.95
THD:<20%
具有過熱保護功能
芯片應用系統無EMI 問題
封裝形式:ESOP8
應用領域:LED 恒流驅動
T5/T8 系列LED 日光燈管
LED 球泡燈
LED 吸頂燈
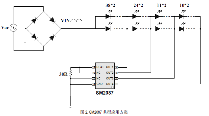
SM2087典型應用方案:
SM2087并聯應用方案:
產品技術資料下載SM2087.PDF

