降壓恒流芯片
當前位置:網站首頁> 產品中心 > DC-DC恒流電源管理芯片 > 降壓恒流芯片 >LN2547降壓LED恒流驅動芯片
來源:深圳晶立弘泰 作者:深圳晶立弘泰 發布時間:2016-06-30 00:32:33
產品描述:LN2547為一款高效率、降壓型、內置高壓MOSFET的恒流LED驅動電路。
LN2547采用固定關斷時間的峰值電流檢測模式,最高輸出電壓可達100V。
芯片包括一個PWM調光腳,可以通過外接0-100%占空比的PWM信號
或0-1.2V直流電位來實現調光功能。
芯片還包括一個溫度補償管腳,通過和基準腳VREF和GND之間
接分別接一個取樣電阻和熱敏電阻來實現溫度補償功能,
可設定在超過某個溫度后輸出電流隨著溫度的升高而降低。
LN2547通過設定外部取樣電阻來調節輸出電流的能力。
最高輸出電流可達2A。LN2547采用ESOP8封裝。
保證芯片體積小的同時具有一定的散熱能力。(散熱片內置接DRAIN)
LN2547采用固定關斷時間的峰值電流檢測模式,最高輸出電壓可達100V。
芯片包括一個PWM調光腳,可以通過外接0-100%占空比的PWM信號
或0-1.2V直流電位來實現調光功能。
芯片還包括一個溫度補償管腳,通過和基準腳VREF和GND之間
接分別接一個取樣電阻和熱敏電阻來實現溫度補償功能,
可設定在超過某個溫度后輸出電流隨著溫度的升高而降低。
LN2547通過設定外部取樣電阻來調節輸出電流的能力。
最高輸出電流可達2A。LN2547采用ESOP8封裝。
保證芯片體積小的同時具有一定的散熱能力。(散熱片內置接DRAIN)
應用領域:直流或交流輸入LED驅動器
RGB 背光LED 驅動
LED電動自行車照明
LED汽車照明等
LED摩托車燈IC
RGB 背光LED 驅動
LED電動自行車照明
LED汽車照明等
LED摩托車燈IC
產品指數:寬輸入電壓范圍:8V~100V
高效率:可達92%
輸出電流范圍:20mA~2A
固定關斷時間可調
線性和PWM調光
溫度補償
峰值電流采樣電壓:0.38V
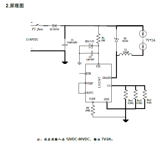
基于LN2545直流高壓輸入恒流驅動方案:
較小的紋波電流
支持模擬調光
輸入電壓范圍:12 VDC-80VDC
輸出電壓電流:7V/2A
占空比最高可達百分之百
開路保護、短路保護、過溫保護

(備注:芯片經過一次改良,已取消原理圖ZD1位置5.1V的穩壓管)

高效率:可達92%
輸出電流范圍:20mA~2A
固定關斷時間可調
線性和PWM調光
溫度補償
峰值電流采樣電壓:0.38V
基于LN2545直流高壓輸入恒流驅動方案:
應用于電動車LED燈驅動
方案基本特性:
極少的外圍器件
方案基本特性:
極少的外圍器件
支持模擬調光
輸入電壓范圍:12 VDC-80VDC
輸出電壓電流:7V/2A
占空比最高可達百分之百
開路保護、短路保護、過溫保護

(備注:芯片經過一次改良,已取消原理圖ZD1位置5.1V的穩壓管)

產品技術資料下載LN2547.PDF

